الخميس، 15 ديسمبر 2022

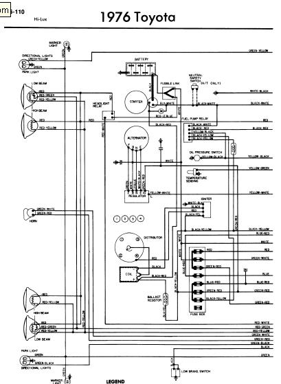
Toyota Lexus Wiring Diagrams, Repair-manuals: Toyota Hilux 1976 Wiring Diagrams

Toyota Lexus Wiring Diagrams Faria Zafira Vauxhall Lt1

Faria zafira vauxhall lt1

Wiring corolla toyota 2009 electrical diagrams. Wiring corolla toyota 2009 electrical diagrams. Repair-manuals: toyota land cruiser fj40 1974 wiring diagrams. Faria zafira vauxhall lt1

repair-manuals: Toyota Cressida 1982 Wiring Diagrams

repair-manuals: Toyota Cressida 1982 Wiring Diagrams

Vauxhall Zafira Wiring Diagram Download - RIAHSOSHI

Vauxhall Zafira Wiring Diagram Download - RIAHSOSHI

repair-manuals: Toyota Land Cruiser FJ40 1974 Wiring Diagrams

repair-manuals: Toyota Land Cruiser FJ40 1974 Wiring Diagrams

Toyota Corolla 2009 - 2010 Electrical Wiring Diagrams – PDF Download

Toyota Corolla 2009 - 2010 Electrical Wiring Diagrams – PDF Download

repair-manuals: Toyota Hilux 1976 Wiring Diagrams

repair-manuals: Toyota Hilux 1976 Wiring Diagrams

ليست هناك تعليقات:

إرسال تعليق