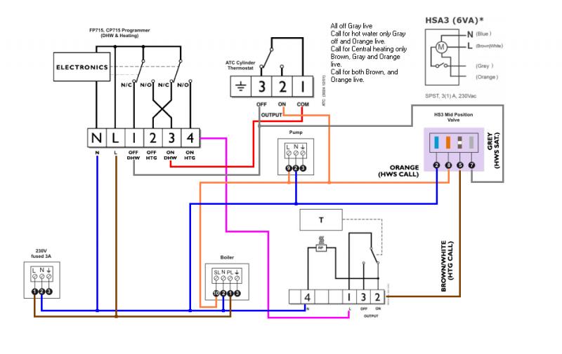
Switchmaster 3 Port Valve Wiring Diagram 17 Nice Switchmaster Thermostat Wiring Diagram Ideas
Wiring danfoss valve motorised buzzing heatmiser diynot diy. Actuator switch footswitch. Drayton switchmaster manualzz motorised
switchmaster 3 port valve wiring diagram
Download PDF
17 nice switchmaster thermostat wiring diagram ideas


Motorised valves. Drain master switch wiring archives. Buzzing sound from motorised valve since heatmiser install. Switchmaster sunvic motorised
How To Wire A Valve Switch Simple Wiring Diagram Heating Only. Two-Port
Switch Actuator, 2,50
Motorised Valves - DIYWiki
Buzzing sound from Motorised valve since Heatmiser install | DIYnot Forums
Valve Monitor • Convalve

ليست هناك تعليقات:
إرسال تعليق