2002 Gmc Yukon Xl Fuel Pump Wiring Diagram 2001 Gmc Yukon Wiring Diagram
Wiring diagram pdf: 2003 gmc truck wiring diagrams. 28 gm fuel pump wiring diagram. 2001 gmc tank fuel pump relay chevy 3500hd rail frame c3500 gas
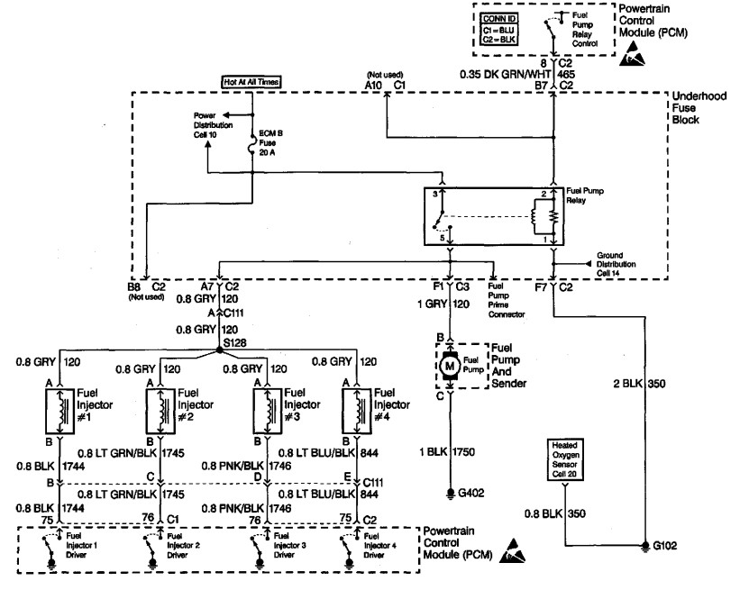
2002 gmc yukon xl fuel pump wiring diagram
Download PDF
Fuel chevy silverado 2002 pump 2500 gmc 1500 pressure wiring chevrolet relay harness running gas sierra rough enough getting stops


2001 gmc yukon wiring diagram. 2001 gmc yukon xl stereo wiring diagram. Where is the power source for the fuel pump on a 93 gmc jimmy s-15. i. Fuel system sonoma pump gmc 1999
Wiring Diagram PDF: 2003 Gmc Truck Wiring Diagrams
Fuel System: What Do I Do if My Fuel Pump Relay Wont Engage but
[DIAGRAM] 2007 Gmc Yukon Xl Wiring Diagram FULL Version HD Quality
28 Gm Fuel Pump Wiring Diagram - Wiring Diagram List
2007 Gmc Yukon Wiring Diagram - Wiring Diagram

ليست هناك تعليقات:
إرسال تعليق