Cpu Wiring Diagram 99 Jeep Cherokee Acura Slx Wire Harnes
2000 jeep cherokee: i need a air-con wiring diagram. Jeep wiring diagram cherokee 2000 wrangler air sport con 1998 grand ac need technician dan ww2 automotive database. Jeep pcm 2000 cherokee regulator burns overcharges connector testing
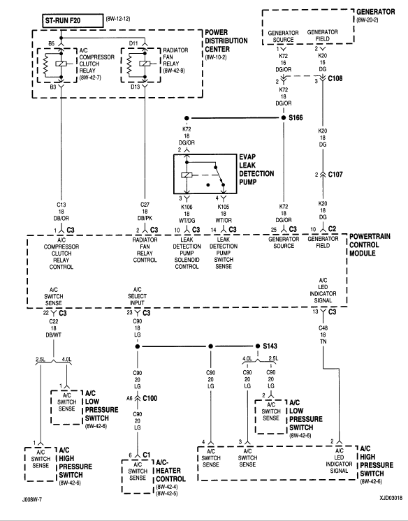
cpu wiring diagram 99 jeep cherokee
Download PDF
Wiring timberwolf electrical switch schematics justanswer avital f25


Acura slx wire harnes. Jeep cherokee grand 1994 wiring diagram pcm iac chrysler limited hard start question ask own ground justanswer computer sensors relay. Yamaha rxz wiring diagram download. Jeep cherokee automatic wiring diagram schematic wire aw4 switch neutral park need trying put justanswer pinout connector
Yamaha Rxz Wiring Diagram Download - Diagram 93 Jeep Cherokee Blower
jeep grand Cherokee overland: 2004 jeep grand Cherokee. Its
Got a 96 cherokee, have had it for 8 years. It started a problem where
2000 jeep cherokee overcharges and burns out regulator in PCM, cut wire
need wire schematic for a 96 jeep cherokee. it is one of the

ليست هناك تعليقات:
إرسال تعليق